產品介紹
艾思捷耐腐蝕蝸輪減速機主要應用于遠洋船舶行業設備上使用。
性能特點
● 機械結構緊湊、承載力大、噪音低。
● 傳動速比大、傳動精度高、傳動效率高、能耗低。
● 全不銹鋼殼體、蝸輪芯,耐腐蝕、潮濕、耐酸堿環境,特別適用于遠洋航海船舶行業等惡劣工作環境。
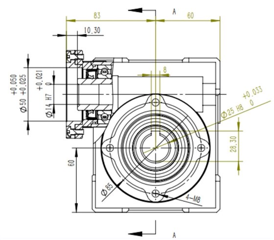
產品圖紙


艾思捷耐腐蝕蝸輪減速機主要應用于遠洋船舶行業設備上使用。
● 機械結構緊湊、承載力大、噪音低。
● 傳動速比大、傳動精度高、傳動效率高、能耗低。
● 全不銹鋼殼體、蝸輪芯,耐腐蝕、潮濕、耐酸堿環境,特別適用于遠洋航海船舶行業等惡劣工作環境。